產品詳情
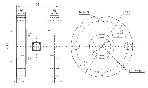
| LZ-N2靜態扭矩傳感器 |  | | 雙法蘭靜態扭矩傳感器,精度高、穩定性好、抗干擾能力強、安裝便捷,適用于靜態、非連續旋轉的扭力值測量;廣泛應用于各種扭力測試儀、扭矩扳手等靜態扭力測量領域。 | | | | 技術參數 |
| 量程 | 1000N.m~5000N.m | | 零點輸出 | ≤±1%F.S | | 靈敏度 | 1.0~2.0mV/V | | 非線性 | ≤±0.5%F.S | | 滯后 | ≤±0.5%F.S | | 重復性 | ≤±0.5%F.S | | 蠕變 | ≤±0.5%F.S/30min | | 零點溫度漂移 | ≤±0.05%F·S/10℃ | | 靈敏度溫度漂移 | ≤±0.05%F·S/10℃ | | 使用溫度范圍 | -20℃~+60℃ | | 輸入阻抗 | 380±30Ω/730±30Ω | | 輸出阻抗 | 350±2Ω/700±3Ω | | 絕緣電阻 | ≥5000MΩ/100VDC | | 安全過載 | 120%F·S | | 供橋電壓 | 5~12VDC(推薦10VDC) | | 材質 | 合金鋼/不銹鋼 | | 接線方式 | 紅色:電源+(E+) 黑色:電源-(E-) 綠色:輸出+(S+) 白色:輸出-(S-) |
 | | 外形可根據客戶要求進行設計定制。 | | 稱重傳感器 http://www.muiyou.com |
|
| LZ-N2靜態扭矩傳感器 |  | | 雙法蘭靜態扭矩傳感器,精度高、穩定性好、抗干擾能力強、安裝便捷,適用于靜態、非連續旋轉的扭力值測量;廣泛應用于各種扭力測試儀、扭矩扳手等靜態扭力測量領域。 | | | | 技術參數 |
| 量程 | 1000N.m~5000N.m | | 零點輸出 | ≤±1%F.S | | 靈敏度 | 1.0~2.0mV/V | | 非線性 | ≤±0.5%F.S | | 滯后 | ≤±0.5%F.S | | 重復性 | ≤±0.5%F.S | | 蠕變 | ≤±0.5%F.S/30min | | 零點溫度漂移 | ≤±0.05%F·S/10℃ | | 靈敏度溫度漂移 | ≤±0.05%F·S/10℃ | | 使用溫度范圍 | -20℃~+60℃ | | 輸入阻抗 | 380±30Ω/730±30Ω | | 輸出阻抗 | 350±2Ω/700±3Ω | | 絕緣電阻 | ≥5000MΩ/100VDC | | 安全過載 | 120%F·S | | 供橋電壓 | 5~12VDC(推薦10VDC) | | 材質 | 合金鋼/不銹鋼 | | 接線方式 | 紅色:電源+(E+) 黑色:電源-(E-) 綠色:輸出+(S+) 白色:輸出-(S-) |
 | | 外形可根據客戶要求進行設計定制。 | | 稱重傳感器 http://www.muiyou.com |
|
上一篇:LZ-N1法蘭方頭靜態扭矩傳感器
下一篇:LZ-N3高穩定性靜態扭矩傳感器